Coating Sample Analysis
Advanced Analytical Services for Coating & Paint Examination.
Professional Coating Analysis Services
We perform detailed analysis of coating samples using state-of-the-art chemical and optical methods. Our comparative analysis capabilities enable precise identification, matching, and forensic evaluation of coating materials for legal and technical applications.
With our partnering laboratory we offer advanced analytical techniques and competitive rates to provide comprehensive coating characterization, from surface morphology to molecular composition. Whether for forensic investigations, quality control, or material identification, we deliver scientifically sound results with detailed documentation.
Our Analytical Methods
Light Microscopy
High-resolution optical microscopy for surface characterization and layer structure analysis. We examine coating thickness, layer sequences, defects, and surface morphology. Light microscopy provides essential visual documentation and enables initial assessment of coating systems, revealing layer build-up, contamination, and structural anomalies at magnifications up to 1000x.

FTIR Spectroscopy
Fourier-Transform Infrared Spectroscopy for molecular identification of coating polymers and binders. FTIR analysis provides a unique molecular fingerprint of organic materials, enabling precise identification of polymer types, additives, and contaminants. This non-destructive technique allows us to differentiate between coating systems and compare samples with reference materials for forensic matching.

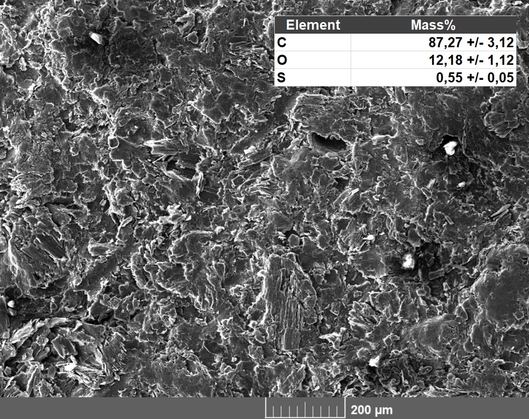
SEM-EDX Analysis
Scanning Electron Microscopy with Energy-Dispersive X-ray spectroscopy (REM-EDX) for high-resolution imaging and elemental composition analysis. SEM provides magnifications up to 100,000x, revealing ultra-fine surface details and particle structures. EDX simultaneously identifies and quantifies elements, enabling detection of pigments, fillers, and metallic components in coating formulations.

Sample Handling & Preparation
Sample Collection
Proper sample collection is critical for reliable analysis. Coating samples should be collected using clean tools to avoid contamination. For comparative analysis, reference samples and questioned samples must be collected separately and clearly labeled. Document the exact location of sampling with photographs and written descriptions.
Sample Preparation
Samples can be analyzed as-received or may require preparation depending on the analytical technique. For cross-sectional analysis, samples are embedded in resin and polished to reveal layer structures. FTIR analysis may require minimal preparation, while SEM-EDX often needs conductive coating for optimal imaging. We handle all preparation steps in our laboratory.
Information Requirements
To ensure comprehensive analysis, please provide: the exact sampling location and context, the purpose of the analysis (identification, comparison, quality control), any known information about the coating system, and specific questions to be answered. Clear documentation of what needs to be measured and where samples originate enables targeted, efficient analysis.
Sample Submission
Samples should be packaged individually in clean containers to prevent cross-contamination. Label each sample clearly with a unique identifier, date, and location. Include a detailed submission form describing the case background, analytical objectives, and any special handling requirements. Contact us for specific packaging and shipping instructions.
Why Choose Our Services
Independent Expertise
As an independent office, we provide unbiased, objective analysis free from external influence, ensuring the highest standards of integrity.
Continuous Education
Through ongoing professional development and our own research contributions, we remain at the forefront of accident analysis methodology and technology.
Interdisciplinary Approach
Our team combines expertise from engineering, physics, biomechanics, and forensic science to provide comprehensive, multi-faceted analysis.
Modern Technology
We utilize cutting-edge measurement equipment, 3D scanning, drone photography, and specialized software to ensure precise, reproducible results.
EVU Membership
Member of the European Association for Accident Research and Analysis with access to a comprehensive European network of 1,200+ experts as well as extensive databases, and cutting-edge research.
Strategic Partnerships
Through our established network of collaborations with specialized institutes, accredited laboratories, and affiliated engineering offices, we provide comprehensive, swift, and best-in-class forensic services.